Starter 1990307 Remy

Продано
Предложения на Starter 1990307 Remy и его заменителей
| Инфо | Описание | Оптимальная цена, UAH | Интервал цен, UAH | ||
|---|---|---|---|---|---|
Remy
1990307
| Starter | - | - | Сравнить цены >> |
Характеристики
- Бренд:
- Страна-производитель:United States of America
Характеристики и комплектация могут быть изменены производителем.
Цвет изделия может отличаться из-за настроек монитора.
Цвет изделия может отличаться из-за настроек монитора.
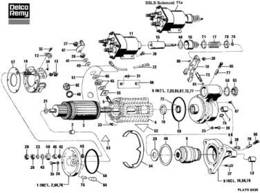
Комплектность
Комплектация Starter:
| Артикул | Название |
|---|---|
| Remy 1115558 | Втягуюче реле стартера |
| Remy 1115715 | Втягуюче реле стартера |
| Remy 1847807 | Screw |
| Remy 1852883 | Holder assy carbon brushes |
| Remy 1861791 | Shim |
| Remy 1894635 | Комплект подшипника |
| Remy 1894636 | Комплект подшипника |
| Remy 1894637 | Комплект подшипника |
| Remy 1894642 | Сальник |
| Remy 1894643 | Сальник |